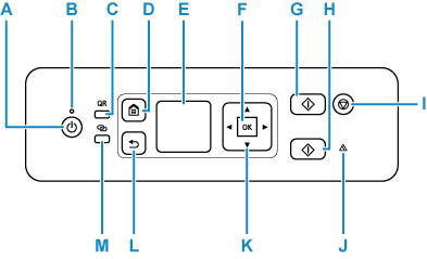
لوحة التشغيل

- A: الزر تشغيل (ON)
-
يُستخدم في التشغيل أو إيقاف التشغيل. تأكد من إغلاق غطاء المستندات قبل تشغيل الطاقة.
- B: المصباح تشغيل (ON)
- يضيء بعد إصداره وميضًا عند تشغيل الطاقة.
- C: الزر QR
-
يتم عرض رمز الاستجابة السريعة عند الضغط على الزر أثناء إضاءة الزر QR. يمكنك بعد ذلك الوصول إلى الدليل على الإنترنت الذي يصف الوظائف التشغيلية.
يتحمل العميل مصاريف الاتصال بالإنترنت. اعتمادًا على الهاتف الذكي أو الجهاز اللوحي، قد لا تتمكن من مسح رمز الاستجابة السريعة ضوئيًا.
- D: الزر الصفحة الرئيسية (HOME)
-
يُستخدم لعرض شاشة الصفحة الرئيسية.
- E: LCD (شاشة الكريستال السائل)
-
تعرض الرسائل وعناصر القوائم وحالة التشغيل.
- F: الزر موافق (OK)
- لإكمال تحديدك للعناصر. كما يتم استخدامه لمعالجة الأخطاء.
- G: الزر أسود (Black)
- يبدأ في النسخ، المسح الضوئي وغيرهما من العمليات باللونين الأسود والأبيض.
- H: الزر اللون (Color)
- يبدأ في النسخ والمسح الضوئي وغير ذلك بالألوان.
- I: الزر إيقاف (Stop)
- يقوم بإلغاء التنفيذ عندما تكون هناك مهمة طباعة أو نسخ أو مسح ضوئي قيد التنفيذ.
- J: المصباح تنبيه (Alarm)
- يضيء هذا المصباح أو يصدر وميضًا عند حدوث خطأ.
- K: الأزرار

- يتم استخدامها في تحديد قائمة أو عنصر إعداد. ويُستخدَم هذان الزران أيضًا لإدخال الأحرف.
- L: الزر السابق (Back)
- للعودة إلى الشاشة السابقة.
- M: الزر الاتصال اللاسلكي (Wireless connect)
-
عند الضغط مع الاستمرار على الزر، يضيء الزر. يتم وضع الطابعة بعد ذلك في وضع الاستعداد لتسهيل الاتصال بجهاز الكمبيوتر والهاتف الذكي.

